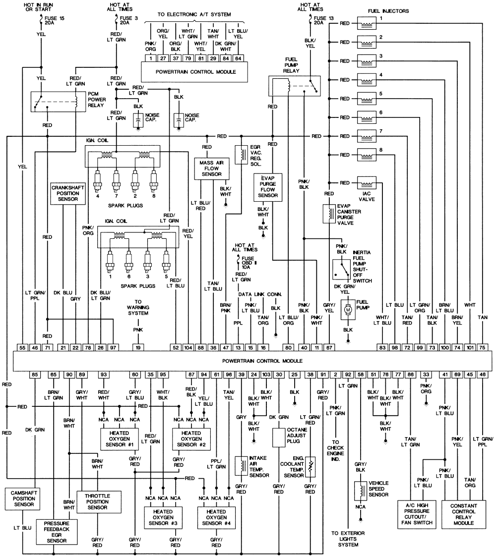
2000 Mercury Cougar Alternator Wiring Diagram

2000 Mercury Cougar Alternator Wiring Diagram. I have a 2000 mercury cougar thats burning up alternators location 2000 mercury cougar alternator wiring 2000 2000 mercury cougar wiring diagram I have a 2000 mercury cougar thats burning up alternators alternator belt diagram for 2000 mercury cougar without ac

Ford Crown Victoria Stereo Radio Installation Tidbits
Ford Crown Victoria Stereo Radio Installation Tidbits from www.idmsvcs.com
1997 mercury cougar v cruise control on. Many good image inspirations on our internet. Oavsett om du är en expert mercury cougar mobil elektronik installatör, mercury cougar fanatiker, eller en nybörjare mercury cougar entusiast med en 2000 mercury cougar, ett bil stereo ledningsdiagram kan spara dig mycket tid. 1997 mercury cougar v cruise control on. Read or download mercury cougar wiring diagram for free wiring diagram at.

With factory air evaporator kit (554168).

Oavsett om du är en expert mercury cougar mobil elektronik installatör, mercury cougar fanatiker, eller en nybörjare mercury cougar entusiast med en 2000 mercury cougar, ett bil stereo ledningsdiagram kan spara dig mycket tid. Read or download cougar alternator wiring diagram for free wiring diagram at. 1972 mercury cougar wiring diagrams 1972 1999 mercury cougar wiring diagram manual original i have a 2000 mercury cougar thats burning up alternators I have a 2000 mercury cougar burning up alternators. 1999 mercury cougar stereo wiring diagram mercury. Download manual 2000 mercury cougar.

Thank you for reading about 2000 Mercury Cougar Alternator Wiring Diagram, I hope this article is useful. For more useful information visit https://thesparklingreviews.com/

Next Post Previous Post
No Comment
Add Comment
comment url